









PT5M1CB
Couldn't load pickup availability
- Your machines can be downsized by the direct installation in limited spaces.
- Precision mechanical structure does not cause movement differential unlike snap action structural switches.
- Because the repeatability is high, master setting is not necessary.
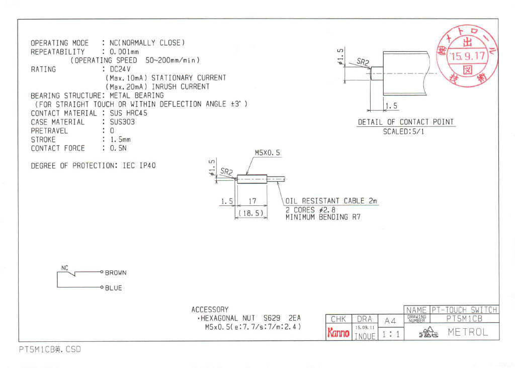
Common specification (PT-series)
Switch structure | Dry contact |
---|---|
Movement differential | 0 |
Contact material | SUS HRC45 |
Case material | SUS303 |
Cable | Core-wire cable: 0.5m(x2) Oil-resistant φ0.6, Tensile strength 15N Cabtyre cable: 2m Oil-resistant φ2.8 / 2cores, Tensile strength 30N, Minimum bending R7 |
Operating temperature range | 0℃ - 80℃ (Ice free) |
Temperature drift | 0 (because of no amplifier) |
---|---|
Oscillation | 10 - 55Hz Total amplitude 1.5 for X, Y, Z each direction |
Impact | 300m/s2 for X, Y, Z each direction |
Contact rating | DC5V - DC24V Steady current: 10mA or less (Rush current: 20mA or less) When using the switch with LED, limit the current below 10mA |
Standard accessory | Two fixing nuts for threaded type |
Notes on repeatability | At operating speed 50 - 200mm/min (operating speed slower than 10mm/min is NOT recommended) |
Questions & Answers (PT-series)
-
How should the switch be contacted with detected objects?
Make contact with detected objects at right angle (within deflection angle ±3°).
If there is a possibility to press the plunger to the stroke end, install a stopper separately to prevent the malfunction.
-
Please let me know the LED display type.
LED display is placed on the cable which is 120mm distance from switch body.
It will turn on when the switch is ON.Don't Connect directly to the DC24V power supply. LED can be damaged.
-
How can I wire Metrol switches when replacing cuttently using proximity sensors?
For wiring, please refer to the following.
-
Are Metrol's cabtyre cables "Robot cables"?
Metrol's Cabtyre cables are used as Robot cables without any safety compromise since the working voltage and current are low, though cabtyre cables are not applicable to UL, CSA, EN or other safety standards.
However, Core-wire cables are not Robot cables. -
Are CE-Mark Machine Directives / Low Voltage Directives applicable to Metrol products?
Our products are applicable neither to CE-Mark Machine Directives nor to Low Voltage Directives.
-
Are Metrol products RoHS compliant?
Our products comply with RoHS Directive and use lead-free solder.