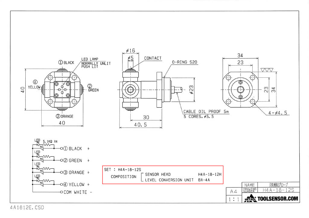
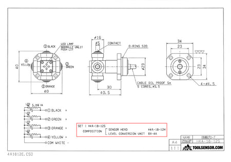
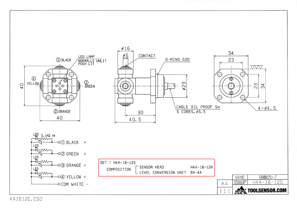
H4A-18-12S
In stock
Regular price
¥999,999 JPY
Couldn't load pickup availability
- H4A-18-12S improve tool life of CNC lathe by precision tool wear detection.
- Machining accuracy will be always maintained within tolerance.
- Reduction in rejection by tool breakage detection.